





Aluminium Sign Channel For Permanent Road Signs - 1m
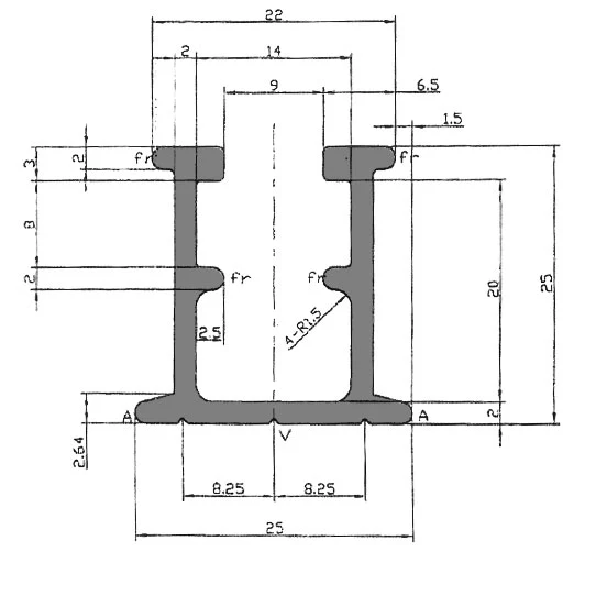
At Start Safety, we offer quality aluminium sign channels, among other sign supplies for sign makers’ needs. The channels are one of the most essential parts as they allow signs to be easily mounted onto posts and fences with clips or banding. The channels we supply are made from quality aluminium, with an optional paint finish to match the backs of most common British road signs.
These channels are most often riveted onto road signs before applying the sign face. Alternatively, they can be fixed with double-sided tape, such as the pressure-activated, extremely strong 3m VHB tape. When choosing between small and medium-heavy sign channel rails, consider the size of the sign you are making. Small sign rails are usually adequate for most applications. However, if the total area of the sign exceeds 1m², you should opt for the medium channel, and if the area exceeds 2m², a heavier duty large channel is required.
We supply these channels in 1m lengths, which can be easily shortened to the preferred length with a hacksaw or a chop saw. We can also supply them in longer lengths if required; contact our sales staff for more information.
Original: $5.49
-70%$5.49
$1.65Product Information
Product Information
Shipping & Returns
Shipping & Returns
Description
At Start Safety, we offer quality aluminium sign channels, among other sign supplies for sign makers’ needs. The channels are one of the most essential parts as they allow signs to be easily mounted onto posts and fences with clips or banding. The channels we supply are made from quality aluminium, with an optional paint finish to match the backs of most common British road signs.
These channels are most often riveted onto road signs before applying the sign face. Alternatively, they can be fixed with double-sided tape, such as the pressure-activated, extremely strong 3m VHB tape. When choosing between small and medium-heavy sign channel rails, consider the size of the sign you are making. Small sign rails are usually adequate for most applications. However, if the total area of the sign exceeds 1m², you should opt for the medium channel, and if the area exceeds 2m², a heavier duty large channel is required.
We supply these channels in 1m lengths, which can be easily shortened to the preferred length with a hacksaw or a chop saw. We can also supply them in longer lengths if required; contact our sales staff for more information.
















